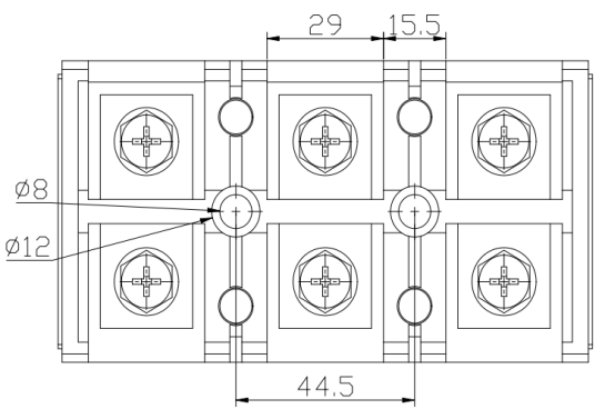
The Barrier Terminal Block is an electrical connection device typically used on circuit boards or electrical panels. Thermosetting plastics, high current safety factor is more reliable, structural parts using plate screw crimping technology, rated AC voltage 600V.
The rated current connecting the conductive sheet is 60A, 100A, 150A, 200A, 300A, 400A, 600A, a total of seven specifications, and the cross section of the connecting wire is 10~300mm2, which is the largest cut-off terminal at present.
According to the arrangement is divided into 3P, 4P flat screw installation, with OT, UT end use, more solid and reliable, can be used for all kinds of electrical devices in the large current wiring.









