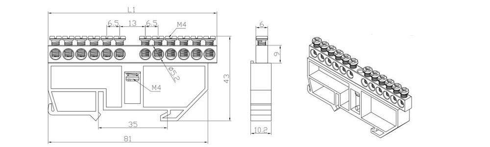
The JHS05 Neutral Link Bar provides reliable neutral electrical connections. We offer multiple options, including 4 to 16 connection holes and two copper piece specifications: “6×9” and “8×12”, to meet the needs of various electrical systems. These bars are made of high-quality copper, ensuring efficient current transmission. What’s more, we also offer customization options to meet specific electrical requirements, ensuring current balance and the stable operation of the system.






